Faculdade de Arquitetura da Universidade de Lisboa

MIArq 2C


Sistemas de Representação Digital em Arquitetura

Professor Luís Romão
2025/2026

Ana Leonor Ribeiro

Semana 12

AULA 23



-AUTOCAD - LINHAS

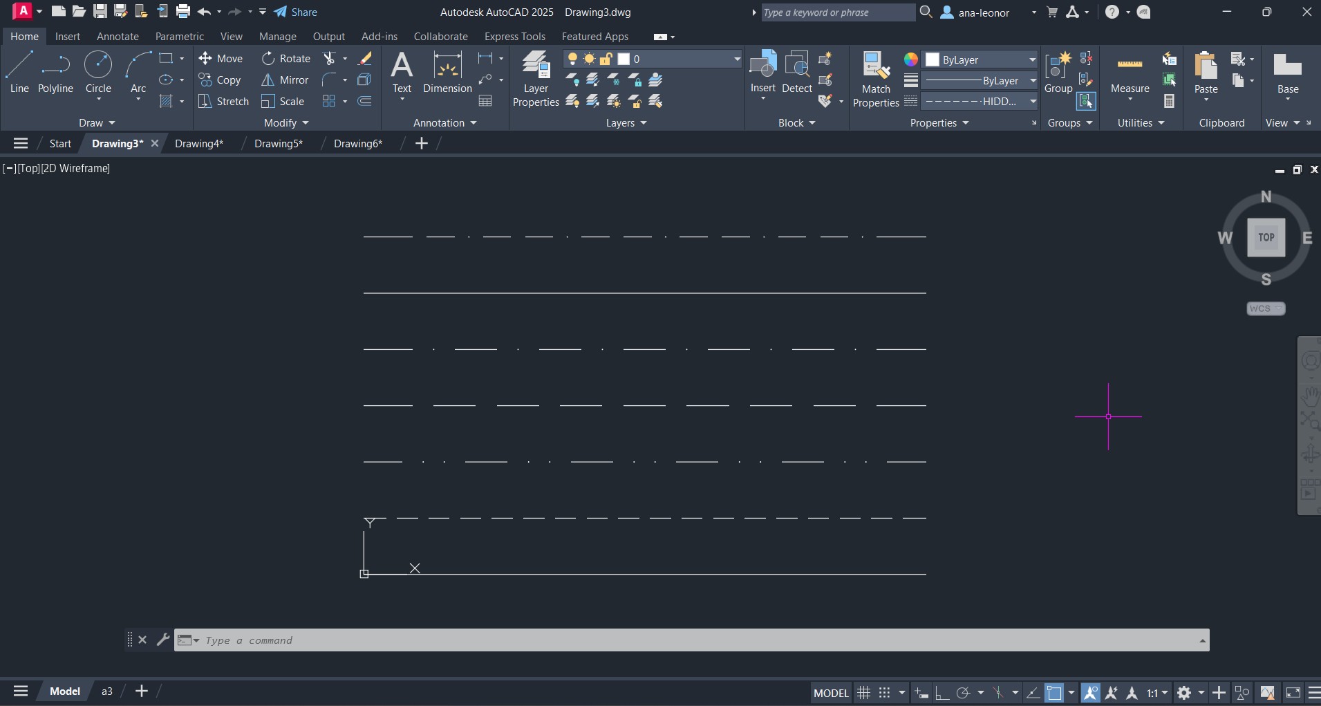
Representação de diferentes "tipologias" de linhas, através do comando LINETYPE (no qual fez se a seleção das linetypes BORDER,CENTER,DASHSOT,DIVIDE e HIDDEN) e do comando LTSCALE (ferramenta que controla a escala global dos tipos de linha no desenho).



-PREENCHIMENTO DE FORMAS

Uso do comando HATCH (ferramenta usada para preencher uma área fechada com uma textura ou cor sólida) como estudo de implantação de preenchimentos.



Introdução, no Autocad, de um novo preenchimento, com textura de "madeira" sob diferentes formas.
Para este efeito, e sendo o ficheiro em formato LSP, usou-se o comando "MAD" para dar forma aos comandos pré-defenidos.



Introdução, no Autocad, de um novo preenchimento, denominado "ISOFINAL".



-SIMBOLOGIA

Introdução, no Autocad, de um ficheiro LSP, que servirá como ícone de indicação do norte.

Para este efeito, usou-se o comando "NORTE" para dar forma aos comandos pré-defenidos.



Introdução de um novo ficheiro, que servirá de desenho para as portas, dando-lhe o seu funcionamento através do comando "PORTAS".



AULA 24



Voltar